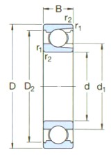
Drawing
Parameter
| Principal dimensions mm |
| d | 90 |
| D | 160 |
| B | 30 |
| Basic load ratings KN |
| dyc Cr | 112 |
| stc Cor | 114 |
| Speed ratings rpm |
| Speed Ratings | 7000 |
| Limiting Speed 1) | 4500 |
| Designation |
| Open type | 218 |
| With shiled on one side | 218-Z |
| With shileds on one sides | 218-2Z |
| Dimansion mm |
| d | 90 |
| d1 ~ | 110 |
| D2 ~ | 143 |
| r 1,2 Min | 2 |
| Abutment and fillet dimensions mm |
| d a Min | 99 |
| Da Max | 151 |
| r a Max | 2 |
Details
Chenxin International Industry Co., Ltdspecializes in selling 218-Deep Groove Ball Bearing,Relevant information of -218-Deep Groove Ball Bearing includes: Designation: 218 d:90 D:160 B:30 Type:Deep Groove Ball Bearing ,Want to know more about 218-Deep Groove Ball Bearing You can consult online or call the hotline, we will provide you with detailed service.
218-Deep Groove Ball Bearing is widely used.218-Deep Groove Ball Bearing is mainly used in construction machinery, machine tools, automobiles, metallurgy, mines, petroleum, machinery, electric power, railways and other industries. The price of 218-Deep Groove Ball Bearing sold by the company is reasonable, the quality is guaranteed, the service in all aspects is provided, and the customer's demand is satisfied.