*C4918K30V1)-CARB Toroidal Roller Bearing

*C4918K30V1)-CARB Toroidal Roller Bearing

Name: *C4918K30V1)-CARB Toroidal Roller Bearing
Type: CARB Toroidal Roller Bearing
Model: *C4918K30V1) Old Model:
d: 90 D: 125
B: 35

 Tel:86-13400023945

Drawing

Parameter

Principal dimensions mm
d90
D125
B35
Basic load ratings KN
dyc Cr186
stc Cor315
Speed ratings rpm
Speed Ratings-
Limiting Speed 2000
Designation
BearingCylindrical Bore*C4918V1)
Taper Bore*C4918K30V1)
Dimansion mm
d90
d 2 ~102
D1 ~113
r 1,2 Min1.1
s 1 1) ~11
s 2 1) ~6.7
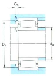
Abutment and fillet dimensions mm
d a Min96
d a Max100
Da Min-
Da Max119
Ca 2) Max-
r a Max1
Calculation coefficient
k 1 0.125
k 2 0.098
Pu
Pu35.5
Qaulity
Weight1.3
Details

Chenxin International Industry Co., Ltdspecializes in selling SKF-*C4918K30V1)-CARB Toroidal Roller Bearing,Relevant information of SKF-*C4918K30V1)-CARB Toroidal Roller Bearing includes: Designation: *C4918K30V1) d:90 D:125 B:35 Brand:SKF Type:CARB Toroidal Roller Bearing ,Want to know more about SKF-*C4918K30V1)-CARB Toroidal Roller Bearing You can consult online or call the hotline, we will provide you with detailed service.

SKF-*C4918K30V1)-CARB Toroidal Roller Bearing is widely used.SKF-*C4918K30V1)-CARB Toroidal Roller Bearing is mainly used in construction machinery, machine tools, automobiles, metallurgy, mines, petroleum, machinery, electric power, railways and other industries. The price of SKF-*C4918K30V1)-CARB Toroidal Roller Bearing sold by the company is reasonable, the quality is guaranteed, the service in all aspects is provided, and the customer's demand is satisfied.

XChenxin International Industry Co., Ltd
Whatsapp